Uued tooted
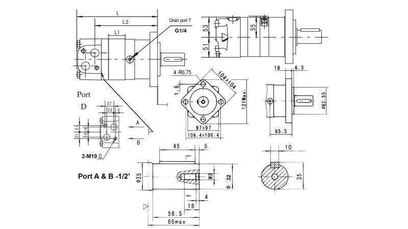
HÜDRAULILINE MOOTOR MR 32 ECO (ALSG2-L-32)
| Tehnilised andmed | |
| Tarnija: | Hiina |
| Tagastus või vahetamine: | 14 päeva |
| Garantii: | 6 kuud |
| Võlli läbimõõt: | 25 mm |
| Õlivool: | pidev vool 40 L/min, katkendlik 45 L/min |
| Ühenduskeere: | 1/2" |
| Temperatuuri vahemik: | -40 °C kuni 140 °C |
| Pöördemoment: | pidev pöördemoment 3,6 daNm, katkendlik 4,3 daNm |
| Pöörded: | pidevad pöörded 1104 rpm, katkendlik 1173 rpm |
| Rõhukadu: | pidev rõhk 100 bar, katkendlik 140 bar |
| Võimsus: | pidev võimsus 8,5 kW, katkendlik 10,5 kW |
| cm³/pööre: | 32,6 |
| Kaal: | 6,4 kg |
KIRJELDUS – HÜDROMOOTORID MR ECO
MR-tüüpi hüdromootorid on kompaktsed, vastupidavad ja töökindlad orbitaalkonstruktsiooniga seadmed. Tänu oma lihtsale ehitusele ja suurele efektiivsusele sobivad need laialdaseks kasutamiseks.
ECO-versioon säilitab standardse kvaliteedi ja töökindluse, olles samas soodsam, kuna usaldusväärsed tootjad valmistavad seda ilma kaubamärgi lisatasuta.
Neid iseloomustab:
- suur töömaht madalatel pööretel,
- sujuv ja vaikne töö,
- pikk kasutusiga tänu kvaliteetsetele materjalidele ja tihenditele,
- võimalus töötada mõlemas pöörlemissuunas,
- väike õlikulu võrreldes väljundvõimsusega,
- ECO-versioon: sama kvaliteet ja jõudlus madalama hinnaga.
MR-hüdromootoreid kasutatakse peamiselt põllumajandus-, metsa- ja ehitusmasinates ning samuti tööstuses, kus on vaja töökindlat ja tõhusat hüdroenergia muundamist mehaaniliseks liikumiseks – nüüd veelgi suurema rõhuasetusega säästvale energiakasutusele.

|
L |
L1 |
|
|
(mm) |
(mm) |
|
|
MR 50 ECO |
140 |
10 |
|
MR 80 ECO |
146 |
16 |
|
MR 100 ECO |
150 |
20 |
|
MR 125 ECO |
155 |
25 |
|
MR 160 ECO |
161,5 |
30,5 |
|
MR 200 ECO |
170 |
38,1 |
|
MR 250 ECO |
180 |
50 |
|
MR 315 ECO |
192 |
62 |
|
MR 400 ECO |
204 |
74 |


%20-1.png)







