Uued tooted
PMRV-75 KÄIGUKAST ELEKTRIMOOTORILE MS100 (2.2-3-4KW) SUHE 10:1
Toote kood:
12432
OEM:
9990000071241
Maksumäär
22 %
Hind ilma KM-ta:
139,34 EUR
Hind koos KM-ga:
170,00 EUR
Ref:
3
Lisakirjeldus:
| elektrimootor | käigukast | väljastatav pöördemoment M2 [Nm] | ohutegur- SF |
|---|---|---|---|
| 2.2kW (MS100) | RV-75 | 129 | 1.5 |
| 3kW(MS100) | 176 | 1.1 | |
| 4kW(MS100) | 235 | 0.8 |
Kirjeldus:
PMRV käigukaste kasutatakse koos elektrimootoritega.
Käigukast vähendab elektrimootori pöördeid soovitud väärtuseni, millega soovitakse töötada. Käigukastidel on erinevad suhted 7.5:1 - 10:1 - 20:1 - 40:1.
Käigukasti paigaldamisel veenduge alati, et:
- tüübilehe andmed vastavad tellitud toote andmetele
- korpus ja teljed on puhtad ja kahjustamata
- pind, millele käigukast on kinnitatud, on tasane ja piisavalt tugev
- käigukast ja elektrimootori telg sobivad hästi
- kui on vibratsiooni või ummistumise võimalus, peab olema paigaldatud pöördemomendi piiraja
- pöörlevad osad on kaetud plastkatetega
- välitingimustes kasutatav seade peab olema korralikult ilmastikukindel
- töökeskkond ei põhjusta korrosiooni (kui ei ole eelnevalt kokku lepitud ja käigukast ning elektrimootor on korralikult ette valmistatud)
- hammasratta, telje hammasratta, sisend/väljund teljed on korralikult kinnitatud, et vältida radiaalset või aksiaalset koormust, mis ei ületa maksimaalset lubatud piiri
- kõik ühendused on kaetud korrosioonivastase materjaliga, et vältida oksüdeerumist kokkupuutel
- kõik kinnituskruvid peavad olema kindlalt kinni tõmmatud
Kõik arvutused põhinevad elektrimootoritel, mille pöörded on 1400. Kui kasutate elektrimootorit, mille pöörded on erinevad kui 1400 pöörde minutis, jagage sisendpöörded käigukasti suhtega, et saada väljundpöörded.
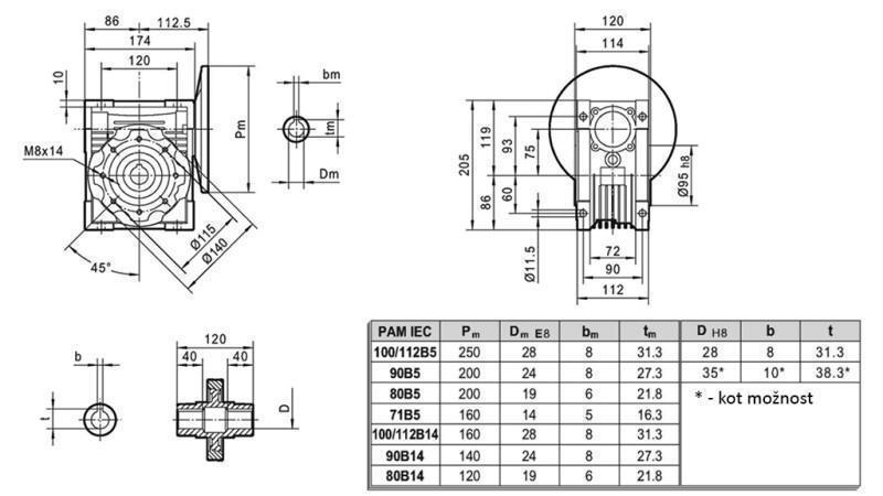
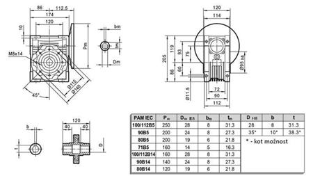
Rohkem tehnilisi andmeid leiate lisast 'MÕÕTMED - ANDMELEHT'.
Tarnija:
Poola
Tagastamine või vahetamine:
14 päeva
Suhe:
10 : 1
Toote kaal:
9 kg
Väljund RPM:
140 p/min
Garantii:
1 aasta
elektrimootori sisepöörded:
1400 p/min







