Uued tooted
HÜDRAULILINE PUMP GR.3 34 CC PAREM - PRIOOBID
Toote kood:
11877
OEM:
9990000036608
Maksumäär
22 %
Hind ilma KM-ta:
118,85 EUR
Hind koos KM-ga:
145,00 EUR
Ref:
14

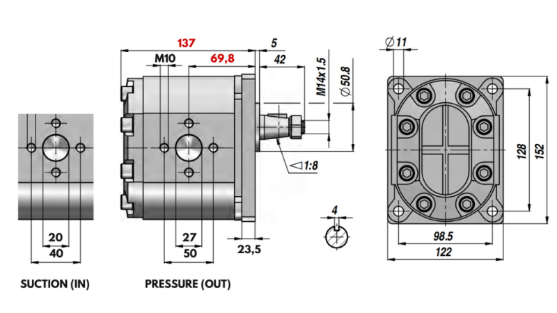
Voog (L/min) | Töörõhk (bar) | Max. rõhk (bar) | RPM (rpm) | A (mm) | B (mm) |
34 | 200 | 250 | 3000 | 137 | 69.8 |
39 | 141 | 71.8 | |||
43 | 2800 | 143.5 | 73 | ||
46 | 2400 | 146.5 | 74 | ||
51 | 149.5 | 76 | |||
55 | 152 | 78 |
Tarnija:
Hispaania
Pöörlemise suund:
paremal
Töörõhk:
200 baari
Tagastamine või vahetamine:
ei ole võimalik
rõhu väljalaske niidi diameeter:
50 mm
imeava niidi diameeter:
40 mm
max. voolurõhk:
250 bar
max. RPM:
3000 p/min
Voog:
34 (L/min)










