Uued tooted
HÜDRAULILINE PROPORTIONAALNE TRAKTORI PIDURIVENTIIL - ÕLISÜSTEEM
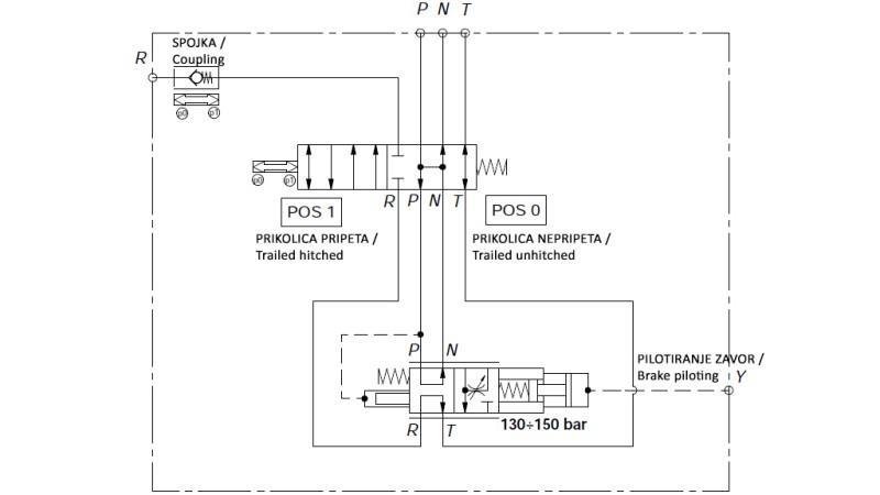
Kirjeldus:
Hüdrauliline proportionaalse traktori piduriventii on komponent, mille kaudu saame haagist koos traktoriga sünkroonselt pidurdada. Ventii on paigaldatud traktorile, mis ühendub hüdraulika ja suunaventiiidega ning olemasoleva pidurisüsteemiga. Piduriventii on otseselt juhitav traktori pidurirõhu kaudu. Ilma rõhuta hüdraulikasüsteemis Y (traktori pidurisüsteem) on R ühendatud T-ga (paak) ja P on ühendatud N-iga (voo üleküllus).
Kui voog Y-s suureneb, aktiveerib voolu jõud tagasipöörduva vedru, mis sulgeb ühenduse R ja T vahel ning loob ühenduse R ja P vahel. Kui vajalik, vähendatakse voolu P ja N vahel, et luua rõhk R-s.
Koormuse tuvastamise ventiiil (LS) on paigaldatud R-le. Maksimaalne rõhk pidurisüsteemis on 130 - 150 baari.
Pidurdamise esimeses faasis saab ventii suunata kogu voolu pumbast haagise piduritesse, nii et tarbija ühenduses N võib ajutiselt olla ilma õlita.
Paigaldamise märkused:
Proportionaalse ventiili on ohutuskomponent, mis nõuab maksimaalset tähelepanu ventiili kontrollimisel ja hooldamisel. Ärge paigaldage ventiili enne teisi ohutuskomponente (nt rool).
Tavaliselt paigaldatakse ventii pumpa (pideva voolu või koormuse tuvastamise ventiiliga) ja juhtventiili vahele, kus selles hüdraulikasüsteemis ei ole teisi ohutuskomponente.










