Uued tooted
HÜDRAULILINE KÄSIHÄDAKLAPP
Toote kood:
13696
OEM:
9990000102310
Maksumäär
22 %
Hind ilma KM-ta:
69,67 EUR
Hind koos KM-ga:
85,00 EUR
Ref:
3
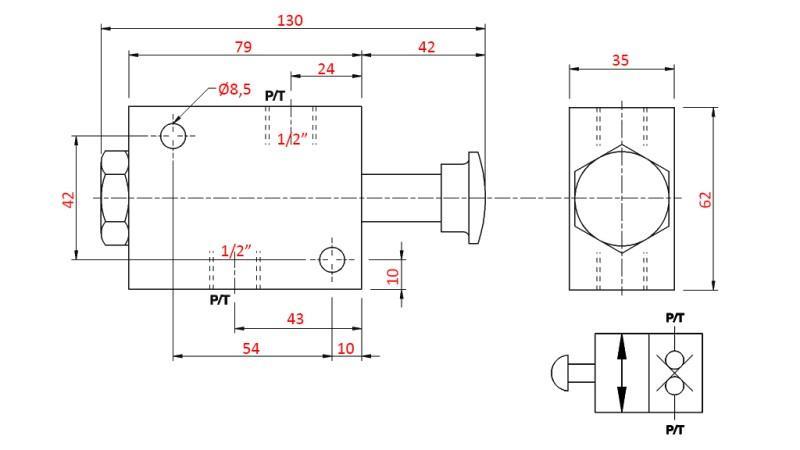
Kirjeldus:
Hüdrauliline käsihäda klapp liuguriga võimaldab õli voolu hüdraulilises ringis. Kui vajutate nuppu, voolab õli P-st T-sse või vastupidi. Seda kasutatakse tavaliselt hüdraulilistes rakendustes turvaventiilina.
Ühendage P ja T ühendused juhtklapiga või hüdraulilise ringiga. Kui vajutate nuppu, on vool vaba; vastasel juhul on vool mõlemas suunas blokeeritud.
Tarnija:
Itaalia
Tagastamine või vahetamine:
14 päeva
Toote kaal:
1.25 kg
Garantii:
6 kuud
Keermestus:
1/2"
Max. vool:
70 l/min
max. rõhk:
350 baari








