Uued tooted
HÜDRAULIKAS DISTRIBUUTIMIS KLAPP VOOG V1022 DFL 6-10 LIT - 3/8 - 250 BAR (MAX.300 BAR) METALL
Toote kood:
13687
OEM:
9990000102211
Maksumäär
22 %
Hind ilma KM-ta:
90,16 EUR
Hind koos KM-ga:
110,00 EUR
Ref:
9
Kirjeldus:
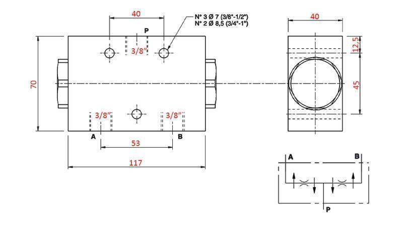
Hüdraulika jaotamisventiil voog on kasutusel, kui kaks identset aktuaatorit (mis ei ole mehaaniliselt ühendatud ja mida toidab sama pump ning mida juhib üks klapp) peavad liikuma samaaegselt (pikendamine, laienemine, lahtivõtmine, kokkusurumine, tõstmine ...).
Ühenda P rõhule, A ja B aktuaatoritele.
Tarnija:
Itaalia
max. tööpressuur:
250 bar
Tagastamine või vahetamine:
14 päeva
Toote kaal:
1.95 kg
Garantii:
6 kuud
Keermestus:
P = 3/8" A,B = 3/8"
klapi vool:
6 - 10 liitrit
max. rõhk:
300 baari



%20KOVINSKI.jpg)
%20KOVINSKI.jpg)
%20KOVINSKI.jpg)


