Uued tooted
HÜDRAULILINE VENTIIL 1xZ80 A7 ZS1/G REA VAHE KULTIVAATOR
Toote kood:
13812
OEM:
9990000149568
Maksumäär
22 %
Hind ilma KM-ta:
102,46 EUR
Hind koos KM-ga:
125,00 EUR
Ref:
8
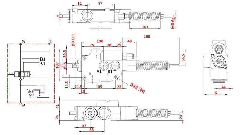
Kirjeldus:
See eriline hüdraulika klapp on peamiselt mõeldud peenarde harimiseks. Klapp reguleerib õli voolu pinnase töötlemise ajal. Rohkem saate vaadata allolevas videos.
Tarnija:
Bulgaaria
maksimaalne rõhk ühendus "T":
50 bar
Tagastamine või vahetamine:
14 päeva
Toote kaal:
3.80 kg
nominaalvool:
80 l/min
Garantii:
6 kuud
Keermestus:
P, A, B = 1/2"; T, N = 3/4"
maksimaalne rõhk ühendus "P":
250 bar
maksimaalne rõhuliitmine "A" ja "B":
300 baari







