Uued tooted
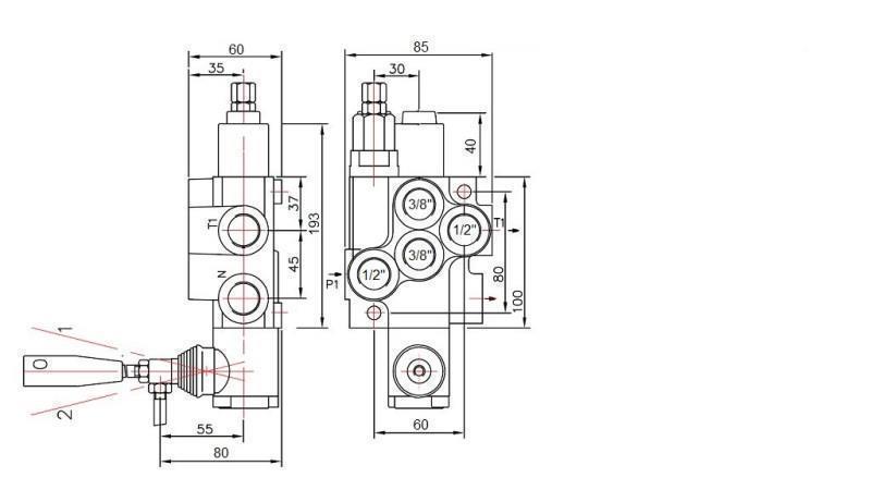
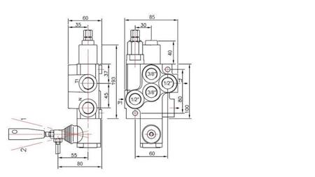
KÄSIJUHTIMISEGA HÜDRAULILINE VENTIIL MONOBLOKK 1xZ50 + ÜHEPOOLSE TOIMEGA B1
Üldine kirjeldus:
Manuaalne või mehaaniline hüdraulika klapp Р40 on mõeldud töövoo jaotamiseks ja juhtimiseks hüdraulikapumba ja tarbijate (silindrid, hüdraulilised mootorid…) vahel.
Hüdraulika klappe kasutatakse erinevatel eesmärkidel põllumajanduses, tööstuses, ehituses jne. järgmiste juhtimiseks:
- ühekülgsed silindrid
- kahekülgsed silindrid
- hüdraulilised mootorid
- ujufunktsioonid (kruvi jaoks)
- joystickid (üles-alla, vasak-parem)
Need on kokku pandud plokiks 1 kuni 7 kangiga.
Toimimine:
Kõik hüdraulika klapid on varustatud turvaventiiliga. Neutraalses asendis (kang keskel) ringleb õli klapi kaudu. Kui kangi liigutatakse ühele või teisele poole, põhjustab hüdraulika klapp silindri liikumise või hüdraulilise mootori pöörlemise ühes või teises suunas. Pärast kangi vabastamist naaseb see automaatselt neutraalsesse asendisse, hüdrauliline mootor või silinder peatub praeguses asendis ja õli ringleb taas klapi kaudu. On võimalik kasutada nn 'sulgemiskeskuse' elementi, mis muudab klapi nii, et neutraalses asendis ei ringle õli klapi kaudu või selline klapp ei voola enam. Teiste klappide kasutamisel või ühendamisel on vajalik kasutada 'ülekande' elementi, mis võimaldab õli varustamist teistele klappidele.
Ujuvfunktsiooniga spindlitega klappide puhul võimaldab see silindril õli vabalt voolata, mis tähendab, et silinder liigub vabalt (või lumekruvi kohandub maastikuga).
Ühekülgsete silindrite jaoks mõeldud spindlitega klapid on mõeldud ühekülgsete silindrite jaoks.
Konstruktsioon:
Р40 on monobloki jaotusklapp. See on valmistatud malmist EN-GJL300. Spindlid on valmistatud süsinikterasest ja on kõva kroomkattega.
Ühendused:
Spindel on kinnitatud kahe M8 kruviga.







