Uued tooted
HÜDRAULILINE VENTIIL MONOBLOKK 5xZ50 + 2x JOYSTICK
Üldine kirjeldus:
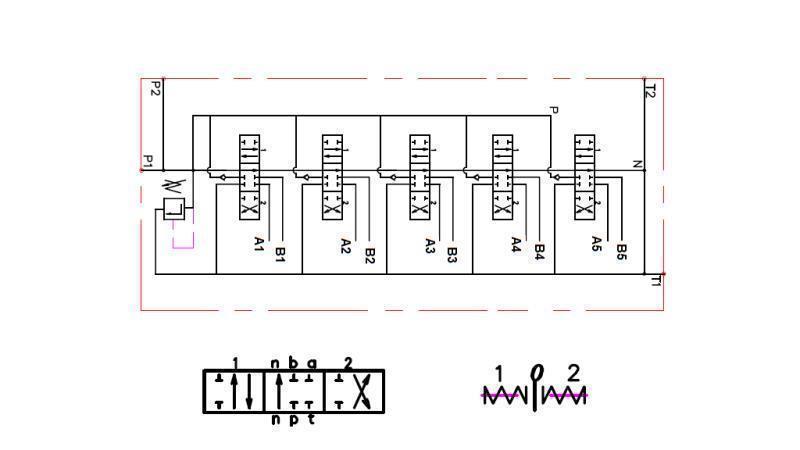
Manuaalne või mehaaniline hüdrauliline klapp Р40 on mõeldud töövoo jaotamiseks ja juhtimiseks hüdraulikapumba ja tarbijate (silindrid, hüdraulilised mootorid…) vahel.
Hüdraulilisi klappe kasutatakse erinevatel eesmärkidel põllumajanduses, tööstuses, ehituses jne. järgmiste juhtimiseks:
- ühepoolse tegevusega silindrid
- kahepoolsed silindrid
- hüdraulilised mootorid
- ujufunktsioonid (kruvi jaoks)
- joystickid (üles-alla, vasak-parem)
Need on kokku pandud 1 kuni 7 kangiga plokiks.
Toimimine:
Kõik hüdraulilised klapid on varustatud turvaventiiliga. Neutraalses asendis (kang keskel) ringleb õli klapi kaudu. Kui kangi liigutatakse ühele või teisele poole, põhjustab hüdrauliline klapp silindri liikumise või hüdraulilise mootori pöörlemise ühes või teises suunas. Pärast kangi vabastamist naaseb see automaatselt neutraalsesse asendisse, hüdrauliline mootor või silinder peatub praeguses asendis ja õli ringleb taas klapi kaudu. On võimalik kasutada nn 'sulge keskuse' elementi, mis muudab klapi nii, et neutraalses asendis ei ringle õli klapi kaudu või selline klapp ei voola enam. Teiste klappide kasutamisel või ühendamisel on vajalik kasutada 'ülekande' elementi, mis võimaldab õli varustamist ka teistele klappidele.
Ujuvfunktsiooniga spindlitega klappide puhul võimaldab see silindril õli vabalt voolata, mis tähendab, et silinder liigub vabalt (või lumekruvi kohandub maastikuga).
Ühepoolse tegevusega silindritele mõeldud spindlitega klapid on mõeldud ühepoolse tegevusega silindritele.
Konstruktsioon:
Р40 on monobloki jaotuskapp. See on valmistatud valatud rauast EN-GJL300. Spindlid on valmistatud süsinikterasest ja on kõva kroomkattega.
Ühendused:
Spindel on kinnitatud kahe M8 kruviga.











