Uued tooted
GEARBOX GR.2 -1:3 MALE
Toote kood:
10718
OEM:
9990000006397
Maksumäär
22 %
Hind ilma KM-ta:
98,36 EUR
Hind koos KM-ga:
120,00 EUR
Ref:
28
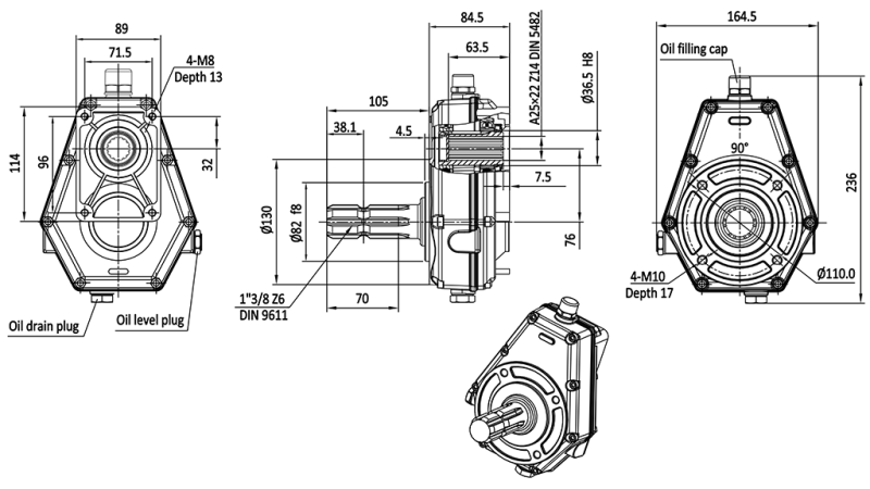
Kasutamine
Käigukast on mõeldud hammasrattapumba pöörlemise suurendamiseks ja seega ka pumba enda voolu suurendamiseks.
Neid kasutatakse kõige sagedamini puiduhakkurites, traktori laadijates ja muudes traktori lisades.
Põhimõtteliselt on olemas meessoost versioon, millel on ühendus kardani kaudu, ja naissoost versioon, millel on otsene paigaldus traktori kardani.

Tarnija:
Itaalia
Tagastamine või vahetamine:
14 päeva
Ühendus:
isane - 1" 3/8
Pöörded:
max. 3000 p/min
Sisendmoment:
18 daNm
Väljundmoment:
5.5 daNm
Toote kaal:
5.5 kg
Sisendi RPM:
540 p/min
Väljund RPM:
1680 rpm
Ülekande suhe:
1:3
Garantii:
6 kuud
Koormate jaoks:
10 kW










