Nye produkter
MANUEL HYDRAULISK VENTIL MONOBLOK 1xZ80 + FLYDEFUNKTION
Generel beskrivelse:
Manuel eller mekanisk hydraulikventil Р80 er designet til distribution og kontrol af arbejdstrømmen mellem hydraulikpumpen og forbrugerne (cylindre, hydraulikmotorer…).
Hydraulikventiler bruges til forskellige formål i landbrug, industri, byggeri osv. til at kontrollere:
- envejs cylindre
- to-vejs cylindre
- hydraulikmotorer
- flydende funktioner (til plov)
- joysticks (op-ned, venstre-højre)
De er samlet i en blok fra 1 til 6 spaker.
Betjening:
Alle hydraulikventiler er udstyret med en sikkerhedsventil. I neutral position (spak i midten) cirkulerer olie gennem ventilen. Når spaken flyttes til den ene eller den anden side, får hydraulikventilen cylinderen til at bevæge sig eller hydraulikmotoren til at rotere i den ene eller den anden retning. Efter at have sluppet spaken, vender den automatisk tilbage til neutral position, hydraulikmotoren eller cylinderen stopper i den nuværende position, og olie cirkulerer igen gennem ventilen. Det er muligt at bruge et såkaldt 'lukket center' element, som ændrer ventilen, så olie ikke cirkulerer gennem ventilen i neutral position, eller en sådan ventil ikke længere er flydende. Når man bruger eller tilslutter andre ventiler, er det nødvendigt at bruge 'carry over' elementet, som tillader forsyning af olie til andre ventiler.
I ventiler med spindler til flydende funktion tillader det cylinderen fri strøm af olie, hvilket konsekvent betyder, at cylinderen bevæger sig frit (eller sneploven tilpasser sig terrænet).
Ventiler med spindler til envejs cylinder er beregnet til envejs cylinder.
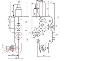
Konstruktion:
Р80 er en monoblock distributionsventil. Den er lavet af støbejern EN-GJL300. Spindlerne er lavet af kulstofstål og er hård krombelagt.
Forbindelser:
Spindlen er skruet med to M8 skruer.







