Novi artikli
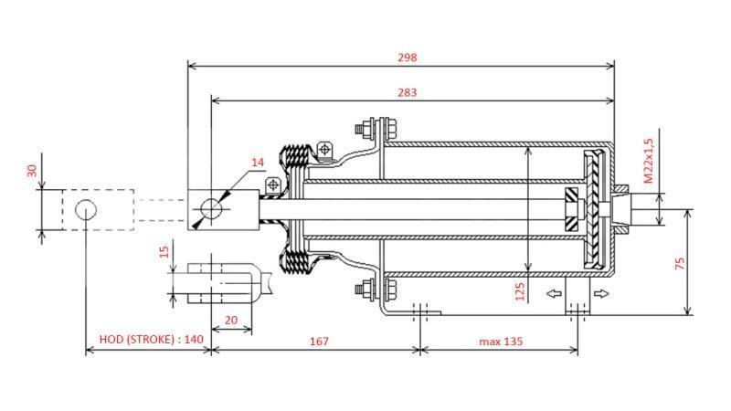
ZRAČNI ZAVORNI CILINDER - MEMBRANA 125 mm
Šifra:
13342
OEM:
9990000093922
Stopnja davka
22 %
Cena brez DDV:
52,46 EUR
Cena z DDV:
64,00 EUR
Ref:
29
Opis:
Univerzalni batni zavorni cilinder, zasnovan za pnevmatski način zaviranja. Uporablja se pri kmetijskih, sadjarskih, gozdnih in gradbenih prikolicah, tovornjakih, trosilnikih, cisterne za gnojevko, škropilnice in ostale zadeve, ki imajo sistem pnevmatskega zaviranja.
Kompatibilno s prikolicami :
Tehnostroj, DAF, Krone, Scania, RVI, MB, MAN, Autosan Sanok: D-35 , D-47 , D-50 D-732 , HL 8011 , HL 6011.
Dobavitelj:
Poljska
Vračilo ali menjava:
14 dni
dimenzije razmaka lukenj za montažo:
135 mm / fi 13 mm
Teža izdelka:
3,60 kg
Garancija:
6 mesecev
Navoj:
M22x1.5
Premer:
125 mm
Hod cilindra:
140 mm







