Novi artikli
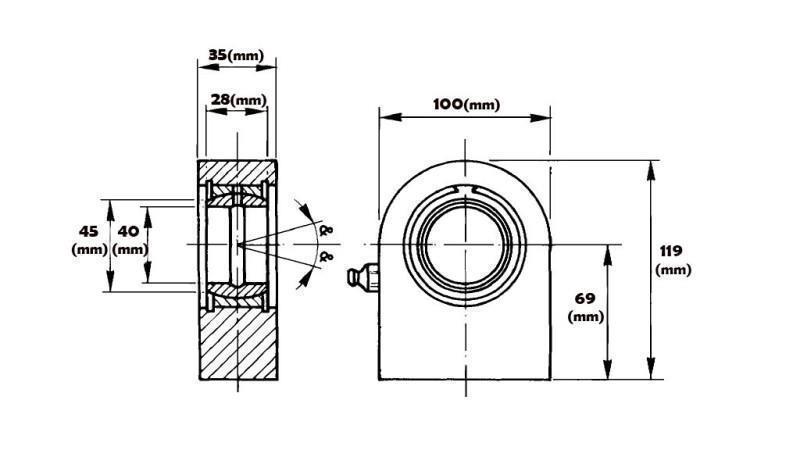
VARILNI OČESNI LEŽAJ - ZGLOB PLOŠČAT FI 40/100
Šifra:
11523
OEM:
9990000020607
Stopnja davka
22 %
Cena brez DDV:
24,59 EUR
Cena z DDV:
30,00 EUR
Ref:
20
Očesni GE sferični ležaji
– očesni varilni priključki so namenjeni za varjenje na hidravlične cilindre, palice, nosilce in druge podobne dele, pri katerih je potrebno gibanje. Zaradi same izvedbe so predvideni za večje obremenitve ali nosilnosti. Zaradi same izvedbe pa ne zahtevajo posebnega vzdrževanja in tako je njihova življenjska doba precej dolga.
Dobavitelj:
Italija
maksimalna dinamična obremenitev:
10 ton
standard:
DIN 648, Serie E, tip C
Vračilo ali menjava:
14 dni
Garancija:
6 mesecev







