Nya produkter
VÄXELLÅDA GR.3 -1:3 HANE INLÄNGD - HANE UTLÄNGD
| Teknisk information | |
| Leverantör: | Kina |
| Retur eller byte: | 14 dagar |
| Garanti: | 6 månader |
| Växelutväxling: | 1:3 |
| För hydrauliska pumpar: | GR. 3 |
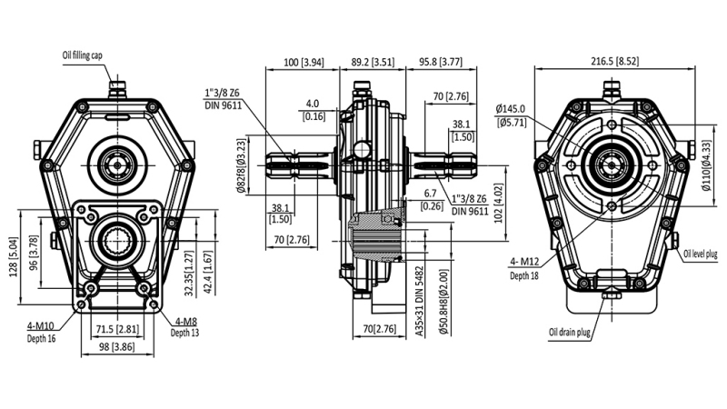
| Anslutning: | PTO-axel på båda sidor - 1" 3/8 – 6 splines (hona) |
| Ingående varvtal: | 540 rpm |
| Ingångsmoment: | 49 daNm |
| Utgående varvtal: | 1620 rpm (max. 3000 rpm) |
| Utgångsmoment: | 16 daNm |
| Last: | upp till 20 kW |
| Produktvikt: | 8,3 kg |
| Växellådsolja: | SAE 90 olja |
MÅTT

BRUKSANVISNING
1. Avsedd användning
Växellådan är en mekanisk transmission som ökar utgående axels varvtal och möjliggör drift av en hydraulisk kugghjulspump via traktorens PTO-axel.
Den används för att driva:
- hydrauliska kraftenheter,
- skogsföringsvinchar,
- vedklyvar,
- annan hydraulisk utrustning.
2. Monteringsposition
Växellådan måste installeras i korrekt driftläge för att säkerställa rätt smörjning av kugghjulen. En horisontell installation rekommenderas, så pumpen och växellådan bör vara i horisontell linje.
Viktigt:
- växellådan måste alltid monteras så att oljan inuti huset är i kontakt med växlingen,
- långvarig drift i upp-och-nerläge är inte tillåtet,
- växellådan måste ha mekaniskt stöd (den får inte hänga endast på PTO-axeln).
3. Rotationsriktning
Innan installation, kontrollera rotationsriktningen på PTO-axeln samt den önskade rotationsriktningen för den hydrauliska pumpen.
Fel rotationsriktning kan orsaka pumpfel, tätningarna kan skadas och oljeflödet försämras.
4. Oljesmörjning
Växellådan måste kontinuerligt smörjas med olja inuti huset för att säkerställa korrekt funktion av kugghjulen. Rekommenderad smörjolja är växellådsolja SAE 90.
Växellådan ska fyllas med olja upp till kontrollnivån.
Innan första användning, ta bort påfyllningspluggen, fyll enheten med olja upp till nivåmarkeringen och sätt tillbaka pluggen.
Innan varje användning, kontrollera oljenivån. Det rekommenderas att byta olja första gången efter 50 driftstimmar och därefter var 1500:e driftstimme eller en gång per år.
5. Driftstemperatur
Växellådshusets normala driftstemperatur ligger mellan 50 och 80 °C. Om temperaturen överstiger 90 °C, kontrollera oljenivå, belastning och inpassning.
6. Underhåll och möjliga problem
| Problem | Möjlig orsak | Lösning |
| Överhettning | Otillräcklig oljenivå | Kontrollera oljenivån |
| Ljud | Utslitna lager | Service |
| Vibrationer | Felaktig installation | Kontrollera monteringen |
| Oljeläckage | Skadad tätning | Byt tätning |









