Novi artikli
ROČNI VENTIL ZA HIDROMOTOR MS CLOSE CENTER - 50lit

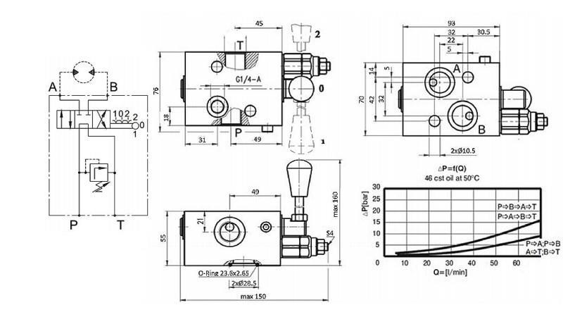
Opis:
Ročni ventil se namesti neposredno na hidromotor, in služi za upravljanje le tega neposredno na hidromotorju.
Ročica ventila omogoča vklop in izklop kakor tudi spremembo smeri vrtenja hidromotorja.
Ventil "OPEN CENTER" - V nevtralnem položaju hidromotor ni zavrt. Sicer ni hidravlično gnan, a se lahko gred hidromotorja vrti z lastno vztrajnostjo ali vztrajnostjo bremena.
Najpogosteje se uporablja v aplikacijah, kjer želimo, da se pogon ustavlja z vztrajnostjo bremena ali ima možnost lastnega vrtenja pogona - hidromotorja.
Ventil "CLOSE CENTER" - V nevtralnem položaju je hidromotor zavrt, kar pomeni, da ga tudi vztrajnost bremena ne more vrteti.
Najpogosteje se uporablja v aplikacijah, kjer želimo, da se pogon nemudoma ustavi in miruje po izključitvi pogona - hidromotorja.






