Nieuwe artikelen
HYDRAULISCHE POMP 00C2X032 GR.0 - 2cc - RECHTS
Code:
14751
OEM:
9990000178803
BTW-tarief
22 %
Prijs exclusief BTW:
61,48 EUR
Prijs inclusief BTW:
75,00 EUR
Ref:
5
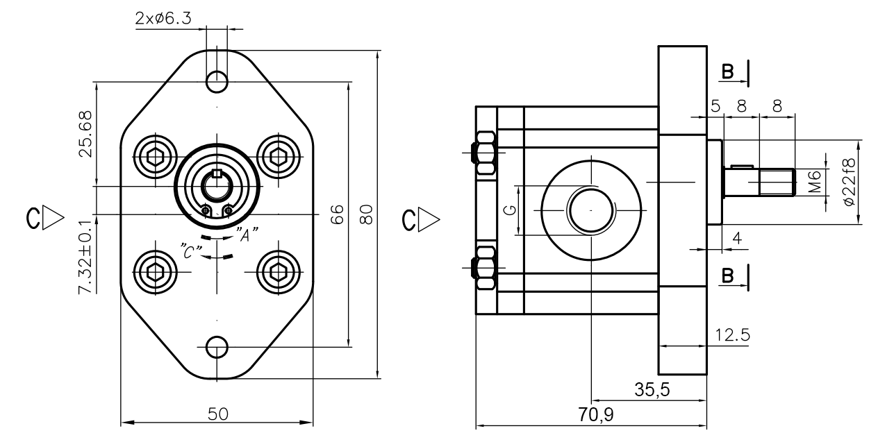
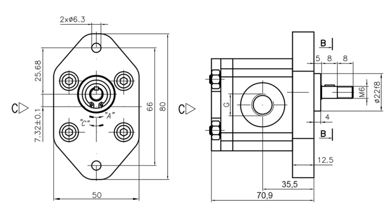
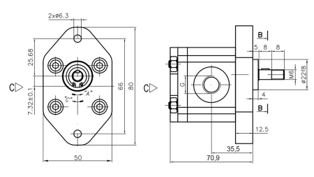
| Technische informatie | |
| Leverancier: | Turkije |
| Retour of ruilen: | Niet mogelijk |
| Garantie: | 6 maanden |
| Model: | 00C2X032 |
| Draairichting: | Rechts (C) |
| Verplaatsing: | 2 cm3/omw |
| Formaat: | GR.0 |
| Snelheid: | max. 2000 tpm |
| Aansluitdraad poort: | 1/4" (inlaat en uitlaat) |
| Nominale druk: | 160 bar |
| Debiet: | 2,8 l/min bij 1500 tpm en 3,7 l/min bij max. tpm |
Omschrijving
Hydraulische pompen zijn een essentieel onderdeel van elk hydraulisch systeem, omdat ze mechanische energie omzetten in hydraulische energie. Ze worden gebruikt in tal van toepassingen zoals landbouwmachines, bouwmaterieel, industriële apparaten en transportsystemen.
In ons aanbod vindt u hoogwaardige tandwielhydrauliekpompen in verschillende maten (GR), verplaatsingen en configuraties, die zorgen voor een betrouwbare werking, een lange levensduur en eenvoudige installatie. Ze leveren een stabiele oliedoorstroming, hoge efficiëntie en minimale verliezen, wat bijdraagt aan een optimale prestatie van het gehele systeem.
Afmetingen










