Novi artikli
MULTIPLIKATOR GR.3 -1:3,8 ŽENSKI NA ZATIČ
Šifra:
10132
OEM:
9990000000678
Stopnja davka
22 %
Cena brez DDV:
118,85 EUR
Cena z DDV:
145,00 EUR
Ref:
43

Informativen izračun ob nakupu na obroke
polog0,00 EUR
3 × 52,86 EUR
polog0,00 EUR
6 × 26,72 EUR
polog0,00 EUR
12 × 13,66 EUR
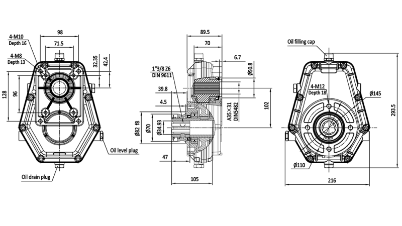
Uporaba
Multiplikator se koristi za povečanje vrtljajev zobniške črpalke in s tem posledično povečanje pretoka same črpalke.
Najpogosteje so uporabljeni za cepilce drv, traktorske nakladače in ostale traktorske priključke.
V osnovi sta moška izvedba z povezavo preko kardana in ženska izvedba z zatičem za namestitev neposredno na traktorski kardan.

Dobavitelj:
Italija
Vračilo ali menjava:
14 dni
Priključek:
ženski - 1" 3/8
Vrtljaji:
max. 3000 rpm
Vhodni moment:
437 Nm
Izhodni moment:
115 Nm
Teža izdelka:
7 kg
Vhodni vrtljaji:
540 vrt/min
Izhodni vrtljaji:
1836 vrt/min
Razmerje prenosa:
1:3,8
Garancija:
6 mesecev
Za obremenitve:
20 kW










