Novi artikli
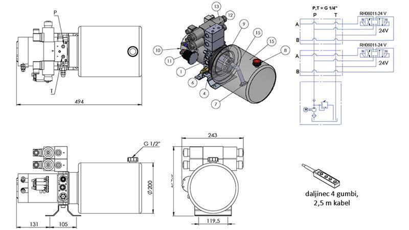
MINI HIDRAVLIČNI AGREGAT 24V DC - 2,2kW = 2,1cc - 8 lit - 2x dvosmerni sklop (kovinski)
Šifra:
10443
OEM:
9990000003693
Stopnja davka
22 %
Cena brez DDV:
391,80 EUR
Cena z DDV:
478,00 EUR
Ref:
18

Informativen izračun ob nakupu na obroke
polog0,00 EUR
3 × 174,38 EUR
polog0,00 EUR
6 × 88,06 EUR
polog0,00 EUR
12 × 44,91 EUR
polog0,00 EUR
24 × 23,35 EUR
polog0,00 EUR
36 × 16,18 EUR
polog0,00 EUR
48 × 12,60 EUR
polog0,00 EUR
60 × 10,47 EUR
Opis:
Mini hidravlični agregat so samostojne enote. Delujejo tako, da s pomočjo elektro motorja ustvari hidravlični tlak, potreben za pogon motorjev, valjev, za avtodvigala, hidravlične cilindre in ostale aplikacije.

Dobavitelj:
Turčija
Moč motorja:
2,2 kW
pretok črpalke:
2,1 cc
pretok agregata:
5,8 lit/min
Prostornina rezervoarja:
8 litrov
Max. delovni tlak:
210 bar
Vračilo ali menjava:
14 dni
Vrtljaji:
2500 vrt/min
Napetost:
24 V








