Novi artikli
KOTNI REDUKTOR T-313J 1:3 (62HP-45,6kW)
Šifra:
100566
OEM:
9990000068975
Stopnja davka
22 %
Cena brez DDV:
331,97 EUR
Cena z DDV:
405,00 EUR
Ref:
10

Informativen izračun ob nakupu na obroke
polog0,00 EUR
3 × 147,75 EUR
polog0,00 EUR
6 × 74,61 EUR
polog0,00 EUR
12 × 38,05 EUR
polog0,00 EUR
24 × 19,78 EUR
polog0,00 EUR
36 × 13,71 EUR
polog0,00 EUR
48 × 10,68 EUR
Opis:
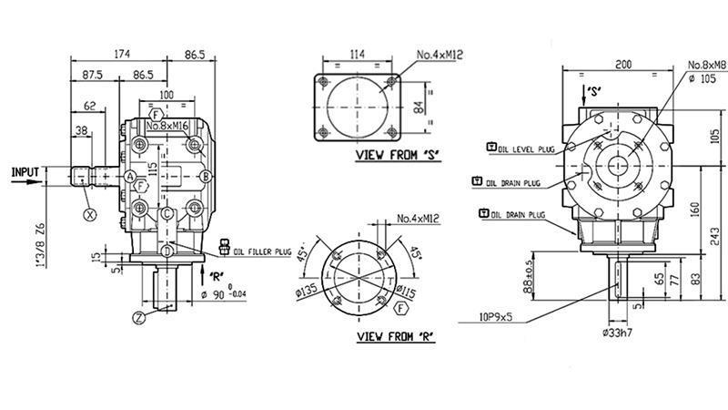
Kotni reduktor iz litega železa je vmesni člen med pogonskim in delovnim strojem, ki prenaša moč in hitrost zahtevam delovnega stroja.
Vračilo ali menjava:
14 dni
rotacija reduktorja:
desni
koda proizvajalca:
9.313.875.10
Teža izdelka:
27 kg
Garancija:
6 mesecev
Obremenitev:
62 HP (45,6 kW)
izhodna osovina:
gred 33 mm
Razmerje prenosa:
1:3
tip reduktorja:
T-313J (kotni prenos)
Mazalno sredstvo:
v reduktor je potrebno naliti olje SAE 90 1,5 lit.
vhodna osovina:
kardanska (1”3/8 – 6 zob)


.jpg)

.jpg)
_.jpg)


