Nuovi Prodotti
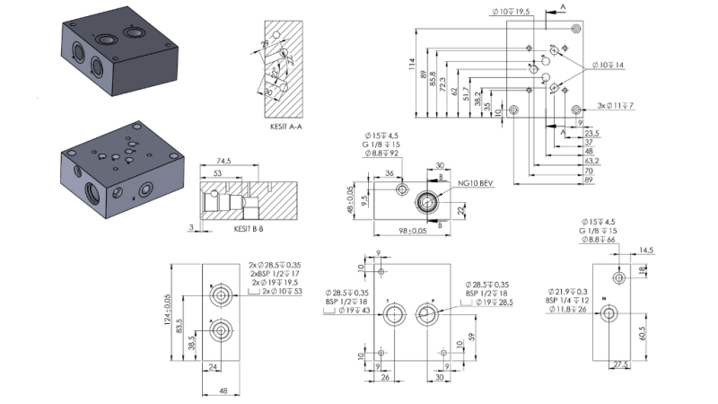
BASE CETOP NG10-1-RV
| Informazioni tecniche | |
|
Fornitore: |
Turchia |
|
Reso o cambio: |
14 giorni |
|
Garanzia: |
6 mesi |
|
Tipo: |
NG10-1-RV |
|
Materiale: |
Alluminio |
|
Pressione: |
max. 250 bar |
|
Portata: |
max. 80 l/min |
Descrizione
La sottopiastra CETOP NG10-1 è una piastra di montaggio standardizzata progettata per l'installazione di valvole idrauliche di dimensione NG10 (CETOP 5) secondo la norma ISO 4401-05. Permette un collegamento semplice, rapido e affidabile della valvola al sistema idraulico.
La sottopiastra CETOP NG10-RV è una versione aggiornata della sottopiastra standard NG10 (CETOP 5 / ISO 4401-05), dotata di una valvola di scarico integrata. È progettata per proteggere il sistema idraulico da pressioni eccessive e garantisce un funzionamento sicuro e affidabile.
La valvola di scarico integrata consente la limitazione della pressione direttamente sulla sottopiastra, riducendo la necessità di componenti aggiuntivi, semplificando l'installazione e fornendo un design del sistema più compatto.
Dimensioni









