Új termékek
HIDRAULIKUS VEZÉRLŐTÖMB 1xZ50
Általános leírás:
Kézi vagy mechanikus Z50 hidraulikus szelepet a hidraulika szivattyú és a fogyasztók (hengerek, hidraulikus motorok stb.) Közötti munkaáram elosztására és vezérlésére szánják.br /> A hidraulikus szelepeket különféle célokra használják fel, a mezőgazdaságban, az iparban, az építőiparban stb. irányítani::
- egyirányú hengerek
- kétirányú hengerek
- hidromotorok
- úszó funkció (ekének)
- joystic (fel-le, jebb-bal)
1-7 karral vannak össze álitva
Kezelés:
Az összes hidraulikus szelep biztonsági szeleppel van felszerelve. Semleges helyzetben (kar középen) az olaj kering a szelepen keresztül. Amikor a kart egyik vagy másik irányba mozgatják, a hidraulikus szelep elmozdítja a hengert, forgassa a motort egyik vagy másik irányba. A kar leengedése után a kar automatikusan visszatér semleges helyzetbe. Ahenger megáll a jelenlegi helyzetében, és az olaj újra kering a szelepen. Lehetséges az úgynevezett "zárt központ" elem használata, amely megváltoztatja a szelepet, hogy megakadályozza az olaj keringését a szelepen vagy semleges helyzetben. Egy ilyen szelep már nem áramlik..
Az úszó működésű orsóval rendelkező szelepeknél ez lehetővé teszi a henger szabad áramlását, ami azt jelenti, hogy a henger szabadon mozog (vagy a hóeke alkalmazkodik a terephez).
Az egyirányú hengerek orsóval ellátott szelepei az egyirányú hengerekhez készültek.
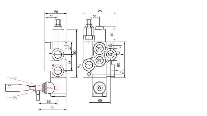
Szerkezet:
A Z50 monoblokk elosztószelep, EN-GJL300 öntöttvasból készül. Az orsók szénacélból készültek és krómozott.
Telepítés
Az orsó két M8 csavarral van becsavarva..








