Uudet tuotteet
HYDRAULINEN VENTTIILI LOG SPLITTER SUURI LOHKO - AUTOSPEED 150 LIT
Tuotekoodi:
100684
OEM:
9990000077052
Verokanta
22 %
Hinta ilman ALV:tä:
258,20 EUR
Hinta ALV:n kanssa:
315,00 EUR
Ref:
4
| Tekniset tiedot | |
| Toimittaja: | Italia |
| Palautus tai vaihto: | 14 päivää |
| Takuu: | 6 kuukautta |
| Tuotteen paino: | 5,8 kg |
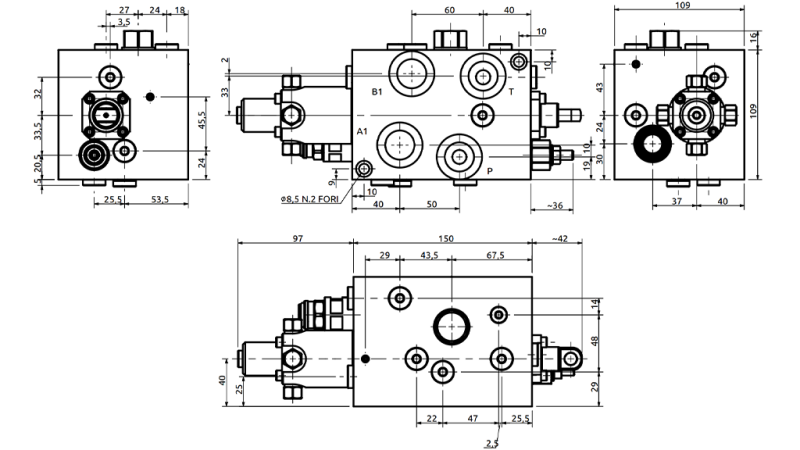
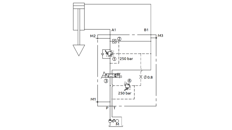
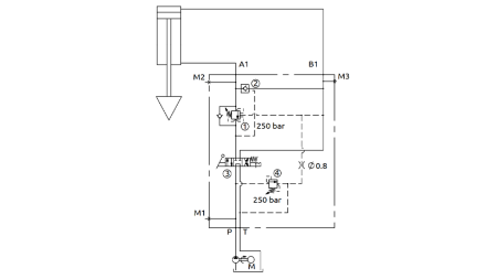
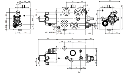
| Liitäntä kierre: | 3/4" |
| Paine: | max. 300 bar |
| Nimellispainetaso: | 250 bar |
| Öljyn virtausnopeus: | jopa 100 l/min |
| Materiaali: | Alumiini (kotelo) |
| Toimittajan koodi: | A600050.27.00 |








