Nye produkter
HYDRAULISK DISTRIBUTIONSVENTIL FLOW V1025 DFL 25-40 LIT - 3/8 - 250 BAR (MAX.300 BAR) METAL
Produktkode:
13690
OEM:
9990000102242
Moms sats
22 %
Pris uden moms:
673,22 DKK
Pris med moms:
821,33 DKK
Ref:
14
Beskrivelse:
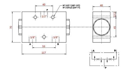
Den hydrauliske distributionsventil flow bruges, når to identiske aktuatorer (som ikke er mekanisk forbundet og drives af den samme pumpe og styres af én ventil) skal bevæge sig samtidigt (udvidelse, bredning, afvikling, kompression, løft ...).
Tilslut P til tryk, A og B til aktuatorerne.
Leverandør:
Italien
maks. arbejdstryk:
250 bar
Returnering eller ombytning:
14 dage
Produktvægt:
1.95 kg
Garanti:
6 måneder
Gevind:
P = 1/2" A,B = 3/8"
ventilflow:
25 - 40 liter
max. tryk:
300 bar


%20KOVINSKI.jpg)
%20KOVINSKI.jpg)
%20KOVINSKI.jpg)


