Nye produkter
DRIFT TIL HYDRAULIKPUMPE - VOLVO R6-1
Produktkode:
12879
OEM:
9990000081127
Moms sats
22 %
Pris uden moms:
643,13 DKK
Pris med moms:
784,62 DKK
Ref:
1
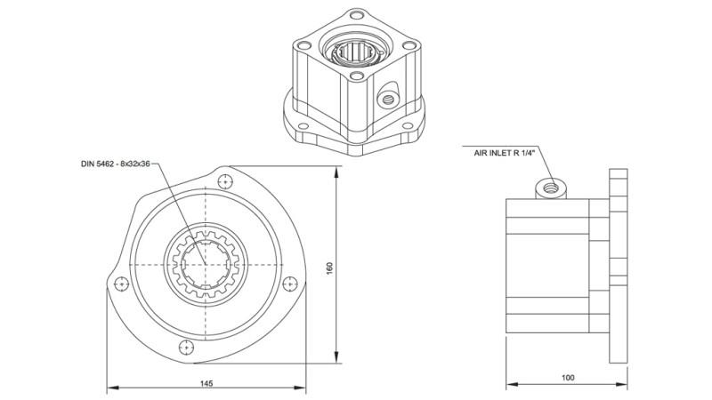
Beskrivelse:
Drifter er velegnede til lastbiler, hvor der er behov for at installere en hydraulisk pumpe. Det er muligt at installere en støbejernspumpe af typen:
ISO (pumpe til montering med tre (3) skruer)
UNI (pumpe til montering med fire (4) skruer)
Velegnet til gearkasser af typen:
R 62-SR61-R62/MR 62 B
Velegnet til køretøjer: Volvo
F 7-F 10-F 12-F 88-F 89-F 1020-F 1225-N 10-N 12 VOLVO
Leverandør:
Tyrkiet
Type:
UNI (4 skruer)
Returnering eller ombytning:
14 dage
moment:
245 Nm
kontrol:
pneumatisk
Omdrejninger:
780 rpm
Produktvægt:
6 kg
Garanti:
6 måneder
montering:
bag
Load:
26.5 Hp (19.8 kW)
transmissionsforhold:
1:1.2






