Neue Artikel
PROPORTIONALSTEUERVENTIL FÜR TRAKTORFRONTLADER - LOAD SENSING LVM92 EHP
| Technische Informationen | |
|
Lieferant: |
Türkei |
|
Rückgabe oder Umtausch: |
14 Tage |
|
Garantie: |
6 Monate |
|
Typ: |
LOAD SENSING |
|
Arbeitsdruck: |
250 bar |
|
Nennförderstrom: |
90 l/min |
|
Anschlussgewinde: |
1/2" |
|
Anzahl der Abschnitte: |
2 |
Beschreibung
Die LVM92-EHP ist ein Monoblock-Ventil, das für Frontlader entwickelt wurde. Es bietet ausgezeichnete proportionale Betriebseigenschaften und eine einfache Installation, mit Durchflussraten von bis zu 90 l/min und Arbeitsdrücken von bis zu 250 bar.
Das Ventil ermöglicht eine vollständig elektroproportionale Steuerung, einschließlich der Schwimmfunktion, unabhängig von Maschinenlast und Betriebsbedingungen.
Das Kit enthält das Ventil, einen proportionalen Steuer-Joystick sowie die elektrische Verkabelung.
Die Load Sensing-Funktion sorgt für eine noch präzisere proportionale Steuerung und eine verbesserte Systemeffizienz.
Anwendung

Für einen ordnungsgemäßen Systembetrieb beachten Sie sorgfältig alle folgenden Schritte:
- Stellen Sie die Verbindung wie oben gezeigt her.
- Stellen Sie sicher, dass der Hydraulikspeicher korrekt angeschlossen ist.
- Prüfen Sie, dass der Eingangsdruck 250 bar nicht überschreitet.
- Stellen Sie sicher, dass der Nenn-Zufluss 90 l/min beträgt.
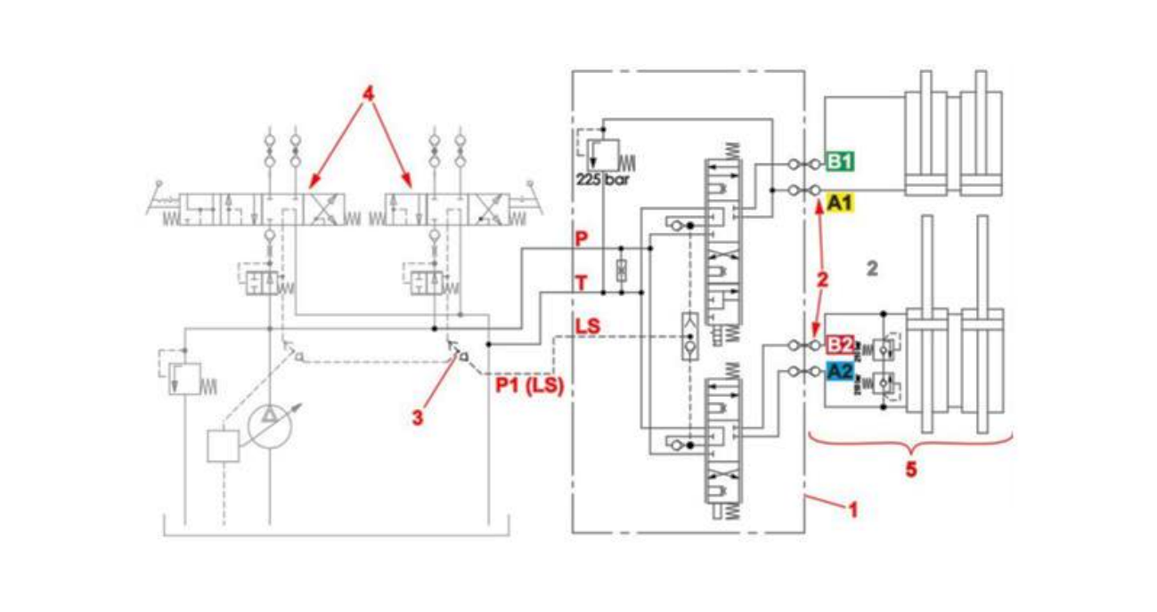
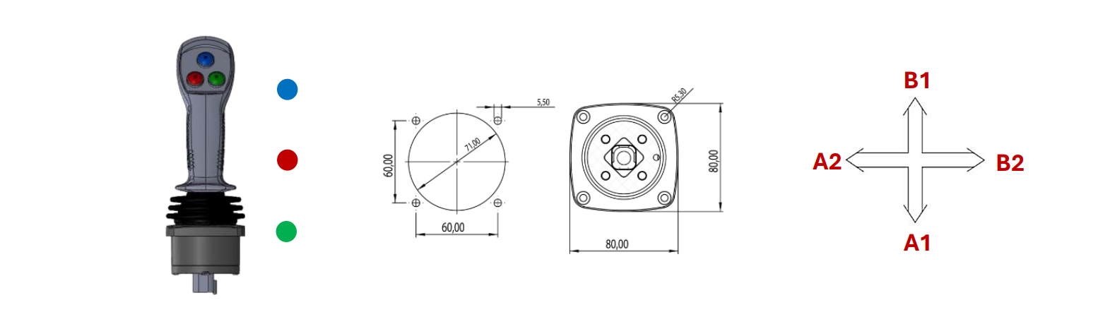
- Prüfen Sie, ob die Anschlüsse an den Ports B1, A1, A2 und B2 korrekt verbunden sind.
- Stellen Sie sicher, dass die Ablass- oder Leckageleitung richtig angeschlossen ist.
- Prüfen Sie, ob die T- (Tank) und P- (Druck) Leitungen korrekt angeschlossen und funktionsfähig sind.



Das Diagramm zeigt ein LOAD SENSING hydraulisches System:
1. Proportionales Ventil (LVM92 EHP) auf der rechten Seite der Anbau-Schnittstelle.
2. Schnittstelle für den Traktor-Frontlader.
3. Zusätzliches Umschaltventil für Load Sensing.
4. Bereits am Traktor installierte Hydraulikventile können für andere Verbraucher genutzt werden.
5. Traktor-Frontlader.
Drei Hydraulikleitungen (P, T, P1) verbinden das LOAD SENSING proportionale Ventil mit dem Hydrauliksystem des Traktors:
- P – Druckleitung
- T – Rücklaufleitung (Tank)
- P1 – Load Sensing (LS)

Schließen Sie das Ventil wie oben gezeigt an:
- Stellen Sie sicher, dass die Systemspannung 12 V beträgt.
- Prüfen Sie, ob das Stromversorgungskabel korrekt angeschlossen ist.
- Das System muss ein Kettkabel und einen 120-Ohm-Widerstand enthalten.
- Nach Anschluss des Joysticks stellen Sie sicher, dass die ACAS-LEDs grün leuchten.
- Prüfen Sie, ob alle Kabel sicher und ordnungsgemäß angeschlossen sind.

- BLAUE Taste: 6/2 Wegeweichenventil (Drucktaste)
- ROTE Taste: Schwimmfunktion (Schnapptaste)
- GRÜNE Taste: langsam/schnell (Schnapptaste)
Schwimmfunktion: Bewegen Sie den Joystick in Richtung B1 (Absenken). Während sich der Joystick in der B1-Position befindet, drücken Sie die FLOAT-Taste, um den Schwimmmodus zu aktivieren. Warnung: Führen Sie diese Operation nicht aus, wenn der Traktor-Frontlader zu hoch angehoben ist.









